
Reservedele til Pellematic 36-56kW
Reservedele til Pellematic 36-56 kW pillefyr fra ÖkoFEN. Se vores udvalg af Pellematic 36-56 kW reservedele her på siden. Hvis der er en reservedel der ikke er her, som du står og mangler, så kontakt os. Vi har muligvis oprettet varen et andet sted eller også kan vi sikkert hurtigt skaffe den rigtige reservedele hjem.
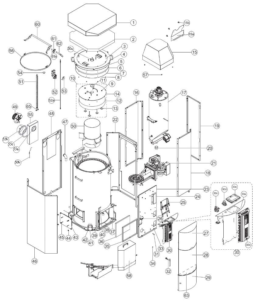
Pellematic 36-56 kW pillefyrsdeleTil Pellematic 36-56 kW pillefyr har vi et fint udvalg af reservedele. Delene er nummerede som vi også har illustreret øverst på siden med en skitse over de forskellige reservedele. Hos Hedestoker laver vi også service og vedligeholdelse samt reparationer af Pellematic 36-56 kW pillefyr og kan derfor levere en professionel rådgivning omkring pillefyret og reservedelene hertil. I sortimentet har vi alt lige fra vermiculiteplader, røgsuger, multisegmentbrændertallerken, dækplader og meget mere. Er der en reservedel til Pellematic 36-56 kW du lige står og mangler, men som du ikke kan finde, så kontakt os enten på mail eller telefonisk. Vi kan helt sikkert hjælpe. |
||||||||||||||||||||||||||||||||||||||||||||||||||||||||||||||||||||||||||||||||||||
Mandag til torsdag: 9.00 - 16.00
Fredag: 9.00 - 14.00
Lørdag, søndag, grundlovsdag
og helligdage: Lukket

