
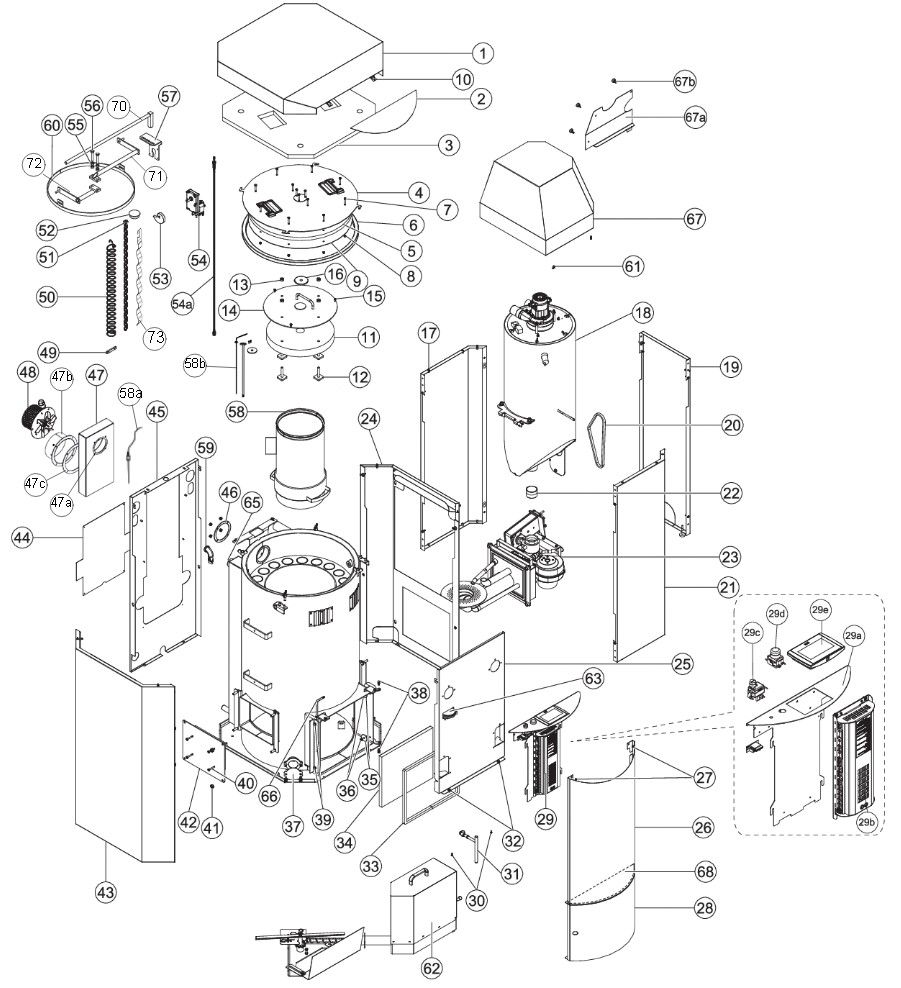
Reservedele til Pellematic 10-32kW
Se vores udvalg af reservedele til Pellematic 10-32 kW pillefyr fra ÖkoFEN. Det kan være at der mangler en reservedele som vi endnu ikke har fået oprettet her på siden, men så tag bare fat i os. Det kan sagtens være, at vi allerede har delen på lager.
Bestil nemt reservedele til Pellematic 10-32 kWHos Hedestoker.dk har vi fagfolk ansat og derfor kan man altid få en professionel rådgivning omkring reservdele til ÖkoFEN Pellematic pillefyrs dele. Hos Hedestoker får vi løbende varer ind som vi lister op her på siden. Derfor vil der lige så stille blive oprettet flere varer herover. Det er altid muligt at sende en forespørgsel enten på mail eller at fange os på telefonen ved eventuelle spørgsmål til pellematic reservedele. |
|||||||||||||||||||||||||||||||||||||||||||||||||||||||||||||||||||
Mandag til torsdag: 9.00 - 16.00
Fredag: 9.00 - 14.00
Lørdag, søndag, grundlovsdag
og helligdage: Lukket

